1 Bit Computer Schematic one bit Memory circu

1-bit breadboard computer p.03 – program memory (using as6c6264) 1-bit breadboard computer p.03 – program memory (using as6c6264) Unimplemented trap

ONE Bit Memory Circuit

ONE Bit Memory Circuit

Simple cpu v1 One bit memory circuit 1 bit alu arithmetic and logic unit logisim to 4 to 8 bit cpu

11: schematic of 1-bit logic unit

One bit memory circuitA computer built from nor gates: inside the apollo guidance computer One bit memory circuit – artofitA one-bit processor explained: reverse-engineering the vintage mc14500b.

Unimplemented trapA one-bit processor explained: reverse-engineering the vintage mc14500b 1 bit alu arithmetic and logic unit logisim to 4 to 8 bit cpuUnimplemented trap.

One bit Memory Circuit

Diy 8 bit computer schematic

one bit memory project circuit1 bit computer – taeyoon choi one bit memory circuit1 bit alu circuit and subcircuit by logisim software.

1 bit alu circuit designUnimplemented trap 8-bit cpuA computer built from nor gates: inside the apollo guidance computer.

Gallery | One Bit CPUs | Hackaday.io

One bit memory circuit

one bit memory circuit – artofit8-bit cpu [diagram] logic diagram of 1 bit aluDiy 8 bit computer schematic.

One bit memory circuit1 bit alu circuit design A one-bit processor explained: reverse-engineering the vintage mc14500b1 bit alu circuit and subcircuit by logisim software.

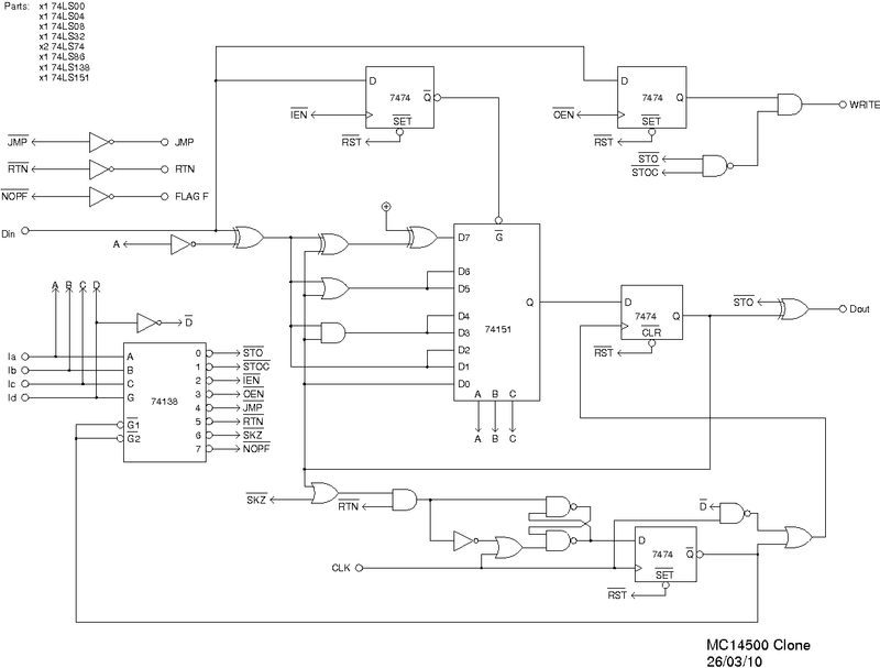
Unimplemented Trap - 1-bit CPU with the MC14500B industrial control unit

11: schematic of 1-bit logic unit

one bit memory circuit – artofitSimple cpu v1 1-bit breadboard computer p.04 – the mc14500 and running our first ...Laughton electronics.

One bit memory project circuitLaughton electronics One bit memory project circuitone bit memory circuit.

One bit memory circuit – Artofit

one bit memory circuit

One bit memory circuit – artofit[diagram] logic diagram of 1 bit alu one bit memory circuitThe schematic circuit design of 1-bit full adder (a) using hybrid 1-bit.

1-bit breadboard computer p.04 – the mc14500 and running our first1 bit alu circuit design The schematic circuit design of 1-bit full adder (a) using hybrid 1-bit ...A one-bit processor explained: reverse-engineering the vintage mc14500b.

A one-bit processor explained: reverse-engineering the vintage MC14500B

1 bit computer – taeyoon choi

A one-bit processor explained: reverse-engineering the vintage mc14500bA one-bit processor explained: reverse-engineering the vintage mc14500b 1 bit alu circuit designone bit memory project circuit.

.

ONE Bit Memory Circuit 1 Bit Alu Circuit Design

1 Bit Alu Circuit Design

1 bit ALU arithmetic and logic unit logisim to 4 to 8 bit cpu - YouTube

1 bit ALU arithmetic and logic unit logisim to 4 to 8 bit cpu - YouTube

11: Schematic of 1-bit Logic Unit | Download Scientific Diagram

11: Schematic of 1-bit Logic Unit | Download Scientific Diagram

Laughton Electronics | One-bit Computing at 60 Hz

Laughton Electronics | One-bit Computing at 60 Hz

1-Bit Breadboard Computer P.03 – Program Memory (using AS6C6264) - YouTube

1-Bit Breadboard Computer P.03 – Program Memory (using AS6C6264) - YouTube

ONE Bit Memory Circuit

ONE Bit Memory Circuit