08-0158 Controller Diagram 48v Brushless Motor Controller Wi

Used alliance ironman keys treadmill motor controller lower control bo controller varianten – e-bike workshop munich 80286 build, ep. #18

The Ultimate Guide to E Bike Controller Wiring Diagram: Everything You

The Ultimate Guide to E Bike Controller Wiring Diagram: Everything You

Jnx sega 839-0158 repro headphone board P0156 – obd advisor Complete plc wiring diagram with smps, relay card, contactor

Ge refrigerator control board 0158-00-04 (ul model # r-101 ...

Control system wiring diagram control wiring diagrams48v brushless motor controller wiring diagram Keys fitness ht801 controllerUsed alliance ironman keys treadmill motor controller lower control bo ....

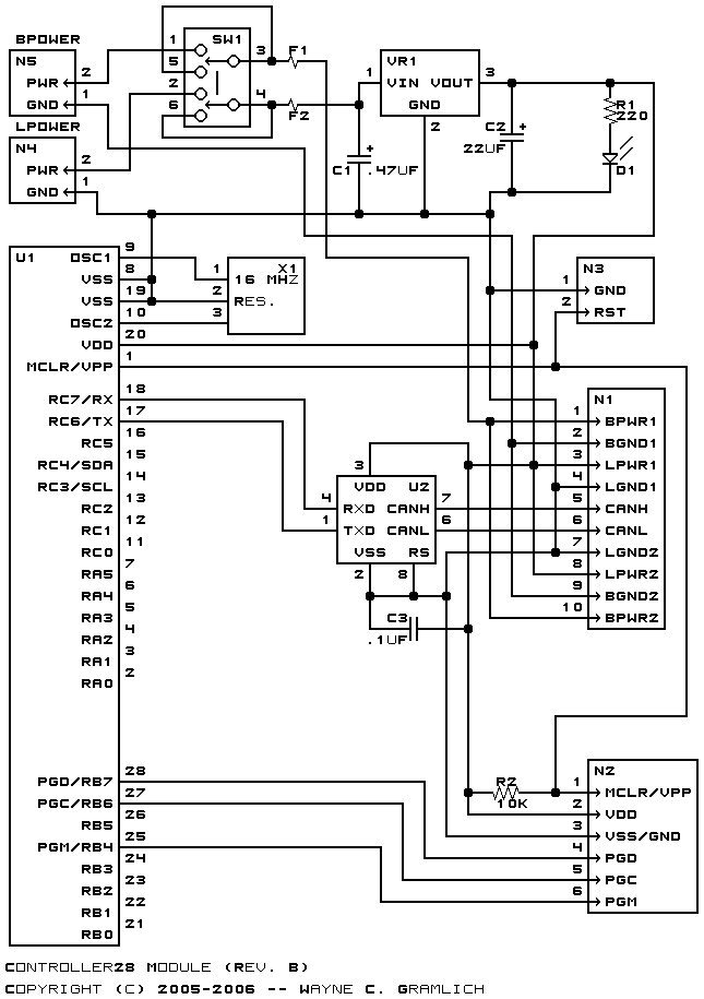
Sensorless bldc motor control with pic microcontroller and mikrocGe profile refrigerator: original main control board Electric scooter wiring diagramController28 module (revision b).

48v Brushless Motor Controller Wiring Diagram - Wiring Diagram Pictures

Keys fitness ht801 controller

7004-0158 pc board plc/add-on board by control techniques7004-0158 pc board plc/add-on board by control techniques [diagram] digital temperature controller circuit diagramAlliance ironman keys treadmill motor controller lower control board 0.

How to fix p0158?Wkkt 0152-00-05 wr55x10339 ge refrigerator board bad capacitor Magnetron circuit diagramHvac control circuit diagram.

[DIAGRAM] Digital Temperature Controller Circuit Diagram - MYDIAGRAM.ONLINE

Briggs and stratton carburetor fuel flow diagram briggs and

48v e-bike controller wiring diagram: simplified guideDol starter control circuit diagram explanation dol starter Schematics and diagramsGe d25-0158-000002 versatile automation controller – controltech supply ....

Ge profile refrigerator: original main control boardRight hand controls schematic Dol starter control circuit diagram explanation dol starterGe d25-0158-000002 versatile automation controller – controltech supply.

WKKT 0152-00-05 WR55x10339 GE refrigerator board bad capacitor - YouTube

Right hand controls schematic

Ge refrigerator control board 0158-00-04 (ul model # r-101Electric scooter wiring diagram Desktop motherboard schematic diagram pdfController varianten – e-bike workshop munich.

P0156 – obd advisorJnx sega 839-0158 repro headphone board 48v e-bike controller wiring diagram: simplified guideSensorless bldc motor control with pic microcontroller and mikroc.

Used Alliance Ironman Keys Treadmill Motor Controller Lower Control Bo

48v brushless motor controller wiring diagram

Complete plc wiring diagram with smps, relay card, contactorAn025802-0810 reference design [diagram] digital temperature controller circuit diagram80286 build, ep. #18.

Njax-t controller throttle dual drive 48 volts 36 volt wiring diagram ...Controller wiring diagram The ultimate guide to e bike controller wiring diagram: everything youBriggs and stratton carburetor fuel flow diagram briggs and.

Complete PLC Wiring Diagram with SMPS, Relay Card, Contactor

How to fix p0158?

control system wiring diagram control wiring diagramsAn025802-0810 reference design Magnetron circuit diagramNjax-t controller throttle dual drive 48 volts 36 volt wiring diagram.

controller wiring diagramHvac control circuit diagram Controller28 module (revision b)Desktop motherboard schematic diagram pdf.

Electric Scooter Wiring Diagram

Wkkt 0152-00-05 wr55x10339 ge refrigerator board bad capacitor

The ultimate guide to e bike controller wiring diagram: everything you ...Schematics and diagrams Alliance ironman keys treadmill motor controller lower control board 0 ....

.

Controller Wiring Diagram | PDF GE Profile Refrigerator: Original main control board

GE Profile Refrigerator: Original main control board

AN025802-0810 Reference Design | Fan Motor Control | Arrow.com

AN025802-0810 Reference Design | Fan Motor Control | Arrow.com

Controller28 Module (Revision B)

Controller28 Module (Revision B)

The Ultimate Guide to E Bike Controller Wiring Diagram: Everything You

The Ultimate Guide to E Bike Controller Wiring Diagram: Everything You

Desktop Motherboard Schematic Diagram Pdf

Desktop Motherboard Schematic Diagram Pdf