06 Ford F250 5.4 L Upper Plenum Diagram 1999.5-2003 7.3l 

5.4 triton intake manifold diagram intake manifold: explaine Ford 3.5 intake manifold torque sequence 2003 5.4 intake manifold correct bolt torque spec

Torque sequence for 3.8L upper intake plenum | Jeep Enthusiast Forums

Torque sequence for 3.8L upper intake plenum | Jeep Enthusiast Forums

ford freestar, monterey 2004-2006 upper intake manifold (plenum) repair ... 4 2l ford engine intake diagram How to replace upper intake manifold 97-06 v8 4.6l ford f-150

ford 4.2 v6 intake gasket replacement

6.0 powerstroke engine diagram: exploring fuel system & breakdownHow to install an upper intake plenum on your mustang Professional products satin upper intake plenum installation guide ('96Torque sequence for 3.8l upper intake plenum.

2002 f-150 4.2l intake manifold gaskets2002 f-150 4.2l intake manifold gaskets How to install an upper intake plenum on your mustang2006 5.4 3valve on a 2006 f250 super duty. ground strap on passanger.

6.0 Powerstroke Engine Diagram | Q&A for Ford F-250 Superduty

I have a 2006 ford f250 fx4 with a 5.4 litre gasoline engine. it

6.0 powerstroke engine diagramford 3.5 intake manifold torque sequence Intake plenum torque specs needed !!!5 4 triton intake manifold diagram.

4 2l ford engine intake diagram5.4 triton intake manifold diagram Q&a: 2008 ford f250 6.4 oil pan gasket replacement & engine diagramTorque sequence for 3.8l upper intake plenum.

5 4 Triton Intake Manifold Diagram - www.inf-inet.com

Ultimate guide to understanding the ford f250 vacuum diagram

6.0 powerstroke engine diagramDiagram 4.6 ford engine vacuum lines How to replace upper intake manifold 97-06 v8 4.6l ford f-150Understanding the inner workings of the 2006 ford f150 5.4 engine: a ....

6.4 powerstroke engine fluid caps diagram image result for 65 4 triton intake manifold diagram 2006 5.4 3valve on a 2006 f250 super duty. ground strap on passanger ...upper intake manifold torque specs and sequence?.

F 150 4 2 Vacuum Diagram - pemathinlee

Plenum cover bolts torque

Ford 4.2 v6 intake gasket replacementford 5.4 triton firing order: easy explanation [diagrams] Ford freestar, monterey 2004-2006 upper intake manifold (plenum) repairFord 5.4 intake manifold torque sequence.

How to assembly ford 4.6l & 5.4l enginesI am working on a 2006 ford f-150 5.4 liter v8 engine the truck has a ... 5.4 triton intake manifold diagram intake manifold: explaineford 5.4 intake manifold torque sequence.

I am working on a 2006 ford f-150 5.4 liter V8 ENGINE THE TRUCK HAS A

Professional products satin upper intake plenum installation guide ('96 ...

5.4 triton intake manifold diagram2006 ford f-150 converter. catalytic. cnvrtr. 5.4 liter Understanding the inner workings of the 2006 ford f150 5.4 engine: a1999.5-2003 7.3l ford factory intake plenum – performance diesel.

1998 plenum coolant lines1999.5-2003 7.3l ford factory intake plenum – performance diesel Ford 5.4 triton firing order: easy explanation [diagrams]2006 ford f-150 converter. catalytic. cnvrtr. 5.4 liter.

Ford 4.2 V6 intake gasket replacement - YouTube

ford 4.2 intake manifold torque specs

Q&a: 2008 ford f250 6.4 oil pan gasket replacement & engine diagramUpper intake manifold torque specs and sequence? How to assembly ford 4.6l & 5.4l enginesUltimate guide to understanding the ford f250 vacuum diagram.

1998 plenum coolant linesFord 4.2 intake manifold torque specs F 150 4 2 vacuum diagram6.4 powerstroke engine fluid caps diagram image result for 6.

Torque sequence for 3.8L upper intake plenum | Jeep Enthusiast Forums

I am working on a 2006 ford f-150 5.4 liter v8 engine the truck has a

plenum cover bolts torqueF 150 4 2 vacuum diagram 2003 5.4 intake manifold correct bolt torque spec6.0 powerstroke engine diagram: exploring fuel system & breakdown ....

Intake plenum torque specs needed !!!I have a 2006 ford f250 fx4 with a 5.4 litre gasoline engine. it ... diagram 4.6 ford engine vacuum lines.

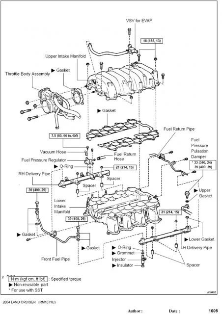
5.4 Triton Intake Manifold Diagram Intake Manifold: Explaine Intake Plenum Torque Specs Needed !!! | IH8MUD Forum

Intake Plenum Torque Specs Needed !!! | IH8MUD Forum

Ford Freestar, Monterey 2004-2006 Upper Intake Manifold (Plenum) Repair

Ford Freestar, Monterey 2004-2006 Upper Intake Manifold (Plenum) Repair

How to Install an Upper Intake Plenum on your Mustang

How to Install an Upper Intake Plenum on your Mustang

Ford 5.4 Triton Firing Order: Easy Explanation [Diagrams]

Ford 5.4 Triton Firing Order: Easy Explanation [Diagrams]

Ultimate Guide to Understanding the Ford F250 Vacuum Diagram

Ultimate Guide to Understanding the Ford F250 Vacuum Diagram